BOÎTE DE COMBINAISON CC 500 V / 1000 V SHLX-PV4/1
Configuration du produit dans la boîte
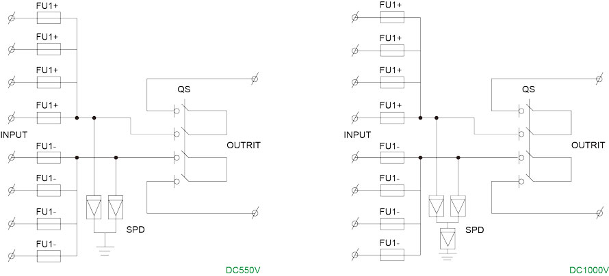
550 V CC
• Fusibles CC 1100 V × 8
• Disjoncteur CC 550 V × 1
• Parafoudre CC 500 V × 1
1000 V CC
• Fusibles CC 1100 V × 8
• Disjoncteur CC 1000 V × 1
• Parafoudre CC 1000 V × 1











